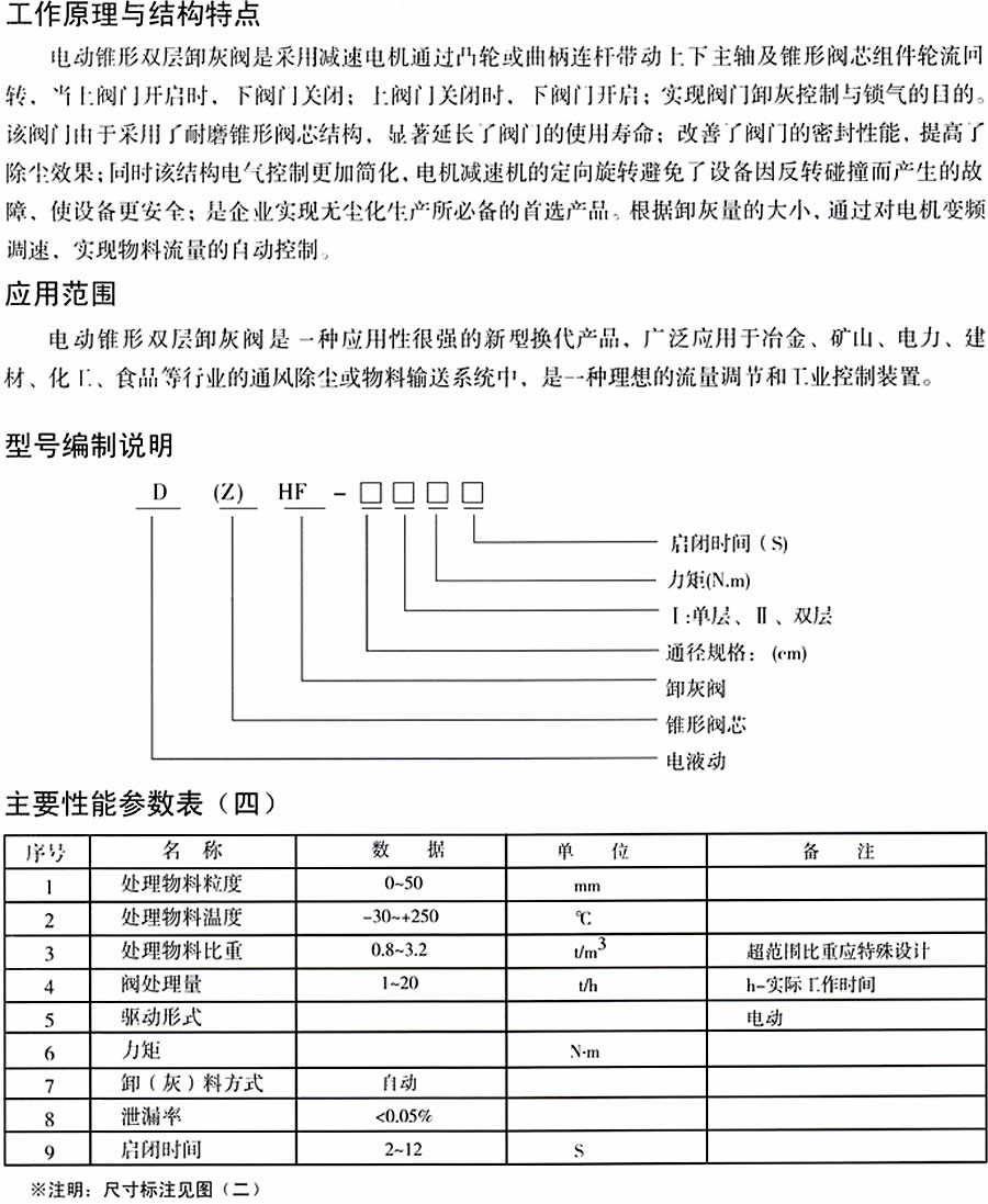
电动锥形双层卸灰阀
    	
	 
	 
欢迎您访问嫩绿草点击由此进入网站!
液压机械设备研制、开发、制造的大型科技型企业
JIANGSU SHUNDA MACHINERY EQUIPMENT CO.,LTD
400-110-4600
PRODUCT CATALOG
您的当前位置:首页 > 通风除尘、阀门类

	 
	 
客服热线:400-110-4600 联系人:钱经理 电话:0514-84716333 邮箱:[email protected] 地址:江苏省高邮市汤庄工业园区
版权所有:嫩绿草点击由此进入 技术支持:协鑫信息科技 备案号:苏ICP备10214560号-1 后台管理